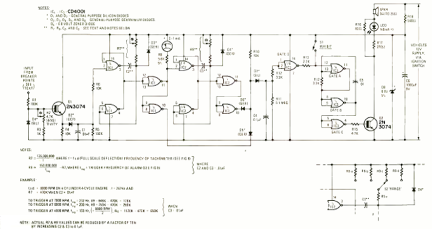
We found this circuit in a Radio Electronics from October 1976. The components are still common, but the circuit applies to older car models with contact breaker ignition.
The MC1455 integrated circuit consists of a version of the 555 made by Motorola. The circuit given...
This circuit, from the ON Semiconductor Thyristor Manual, controls both the speed and direction of...
This circuit allows linear brightness control of an LED from an input voltage. The power supply must...