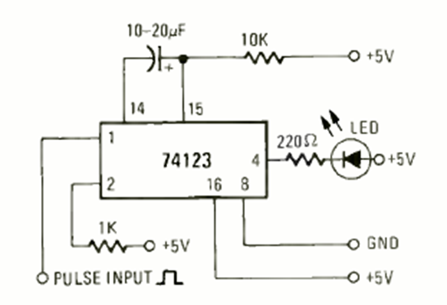
Using a 74123 TTL this circuit was found in the Radio Elecronics magazine of June 1975. The power supply must be 5 V. The capacitor determines the activation time.
We found this circuit in a 1977 radio documentation. The circuit uses TTL frequency dividers from...
In figure we have a three-phase AC motor control for voltages up to 600 V or 1200 V depending on...
The oscillator shown in the figure can generate signals up to 500 kHz and has good stability. Coil...