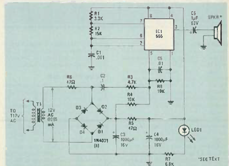
This circuit includes the power supply from the power grid. We found it in Radio Electronics from July 1985. It can still be assembled easily today.
Found in an 80's Elektor, this circuit can use any equivalent optical coupler. The buzzer is of the...
We found this circuit in a 1986 documentation. It is based on TTL integrated circuits that can be...
This small battery-powered high-voltage generator was found in Radio Electronics magazine from...