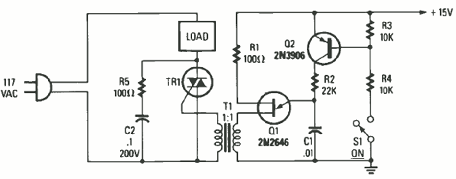
This triac circuit was found in the October 1987 Radio Electronics magazine. The triac is load-dependent and must be mounted on a heat sink.
We found this test circuit in a March 1967 Radio Electronics. The circuit uses a zener-regulated supply and...
We found this circuit in a 1995 publication. It applies to transceivers in the citizen's range (11...
The figure shows how to associate flip-flops in a shift register to obtain a lower frequency...