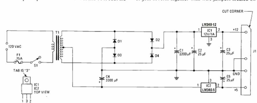
This power supply for those who want to feed and recover 5 ¼ floppy disks was found in the Electronics Experimenter magazine special edition of 1983.
We find this circuit in American documentation from the 1980s. The accuracy of the circuit depends on the...
The presented circuit uses a symmetrical power source to supply an amplifier with the LM139 or...
High quality sound can be obtained from this transistor amplifier. The output transistors must be...