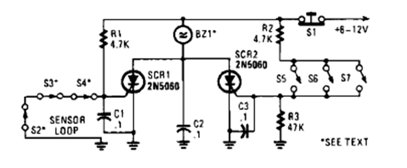
This alarm with sensors in series and parallel was found in the 1995 Encyclopedia of Electronic Circuits. The number of sensors can be changed at will.
We find this circuit in American documentation from the 1980s. The accuracy of the circuit depends on the...
The presented circuit uses a symmetrical power source to supply an amplifier with the LM139 or...
High quality sound can be obtained from this transistor amplifier. The output transistors must be...