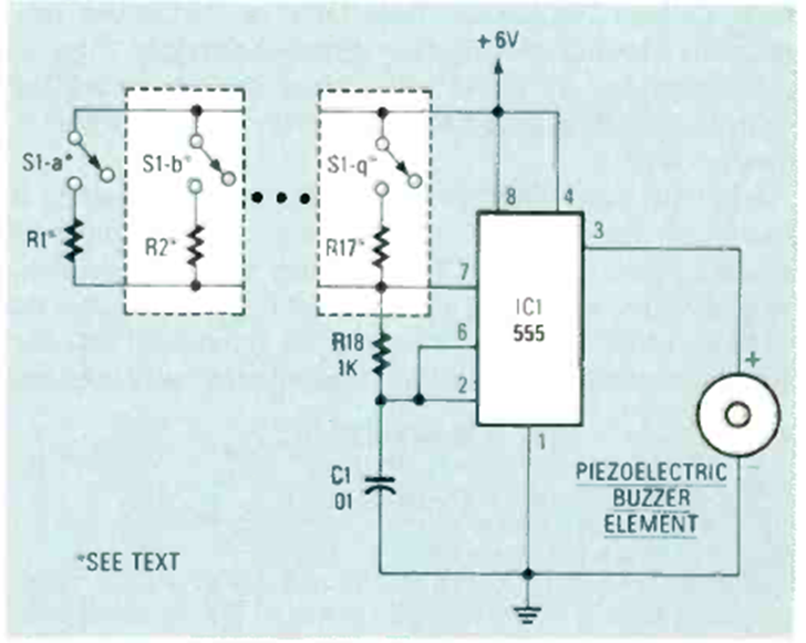
This interesting circuit for SMD assembly appeared in the November 1987 issue of Radio Electronics magazine. The phonons are generated by selected resistors that are fitted to the assembly.
We found this test circuit in a March 1967 Radio Electronics. The circuit uses a zener-regulated supply and...
We found this circuit in a 1995 publication. It applies to transceivers in the citizen's range (11...
The figure shows how to associate flip-flops in a shift register to obtain a lower frequency...