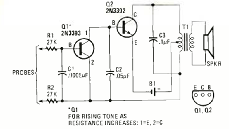
This simple continuity tester consists of an oscillator found in the 1983 Electronics Experimenter Special projects magazine. The circuit is powered by a single battery.
This circuit is suitable for applications such as a TTL log digital link. Maximum frequency is...
We found this simple wired intercom circuit with transistors in a 1988 publication. In addition to not...
Other operational amplifiers can be used on this unit gain amplifier. The circuit is from the 1993...