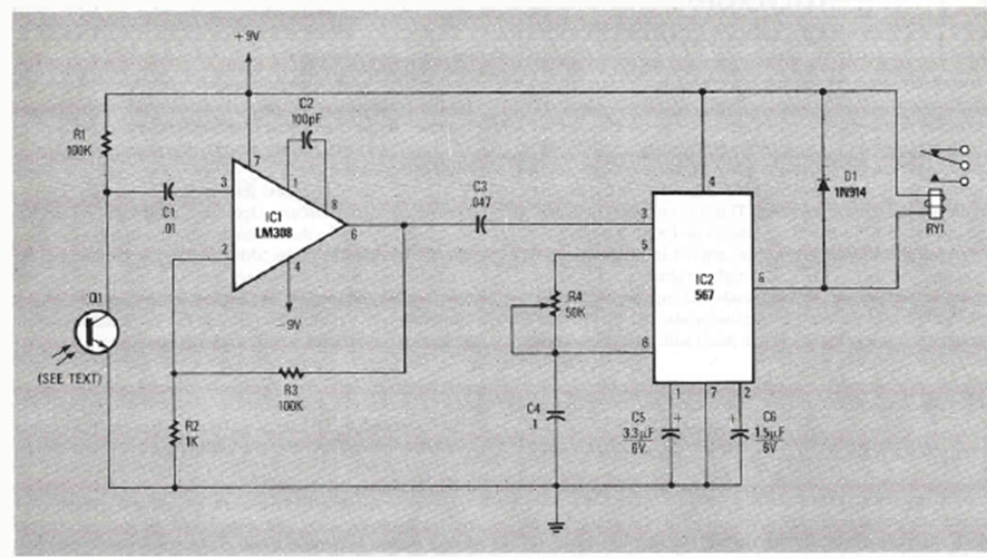
This circuit is the receiver for the transmitter from the previous project. We also found it in the Radio Electronics Experimenter magazine, 1989 issue.
Found in American documentation, this amplifier stage has unit gain and a high input impedance. It...
This circuit was found in an American documentation on transistors from the 60's. The transistor is made...
This circuit was suggested by Philips in 1967 documentation. The circuit receives modulated light and has...