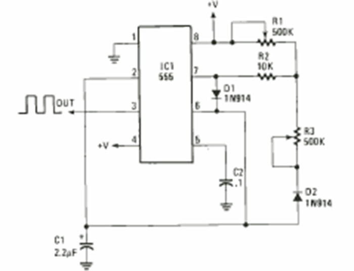
This dual-tuned 60 Hz oscillator was found in the Radio Experimenter Special projects of 1993. The circuit has the timing ranges given by C1 which can be changed.
This is the conventional application of a 1 out of 10 decoder with CMOS 4017, as shown in an old...
This circuit was found in a 1960s documentation, providing a 2,000 gain amplified output. | Clique na...
This circuit was obtained in a 1973 national publication, translated from an English publication of the...