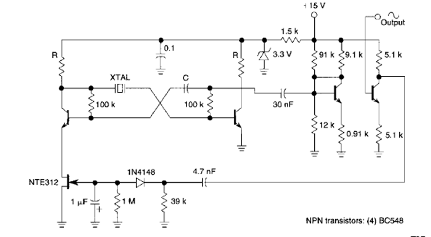
This low frequency oscillator circuit was found in an Electronic Design from the 90s. The transistors are common types, and the frequency is given by the crystal.
This is the conventional application of a 1 out of 10 decoder with CMOS 4017, as shown in an old...
This circuit was found in a 1960s documentation, providing a 2,000 gain amplified output. | Clique na...
This circuit was obtained in a 1973 national publication, translated from an English publication of the...