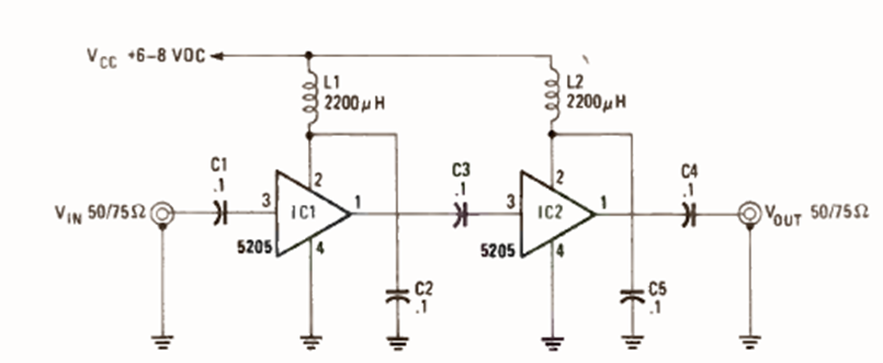
Using the NE5205 integrated circuit this circuit was found in the May 1987 issue of Radio Electronics magazine. It can amplify signals up to 450MHz.
This is the conventional application of a 1 out of 10 decoder with CMOS 4017, as shown in an old...
This circuit was found in a 1960s documentation, providing a 2,000 gain amplified output. | Clique na...
This circuit was obtained in a 1973 national publication, translated from an English publication of the...