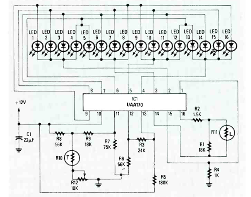
Other versions exist on this site from various publications. This one is from the Radio Electronics Experimenter from 1990. The bargraph circuit uses the UAA170.
This is the conventional application of a 1 out of 10 decoder with CMOS 4017, as shown in an old...
This circuit was found in a 1960s documentation, providing a 2,000 gain amplified output. | Clique na...
This circuit was obtained in a 1973 national publication, translated from an English publication of the...