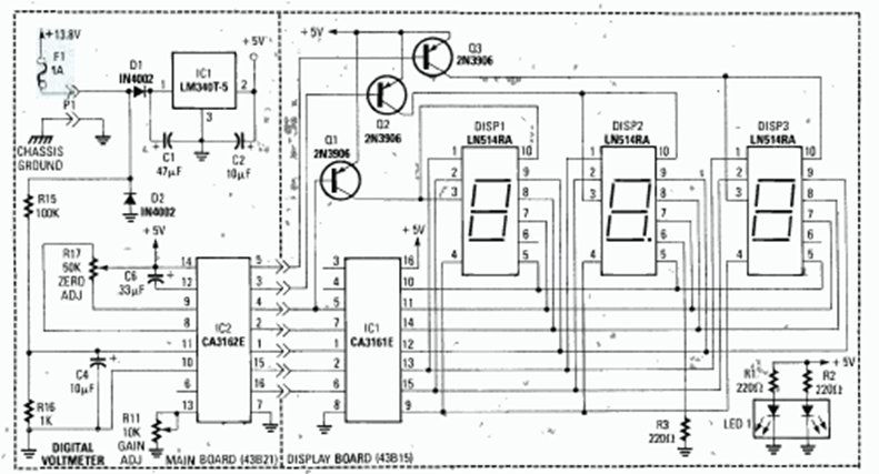
This 3-digit circuit was found in the 1992 special edition of the Radio Electronics Handbook. The circuit produces a standard voltage for bench testing.
This is the conventional application of a 1 out of 10 decoder with CMOS 4017, as shown in an old...
This circuit was found in a 1960s documentation, providing a 2,000 gain amplified output. | Clique na...
This circuit was obtained in a 1973 national publication, translated from an English publication of the...