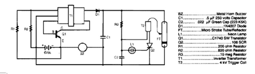
Found in the Encyclopedia of Electronic Circuits volume 5 from 1995, this circuit uses a transformer. The circuit feeds a transformer that produces 200 V for a xenon lamp.
This is the conventional application of a 1 out of 10 decoder with CMOS 4017, as shown in an old...
This circuit was found in a 1960s documentation, providing a 2,000 gain amplified output. | Clique na...
This circuit was obtained in a 1973 national publication, translated from an English publication of the...