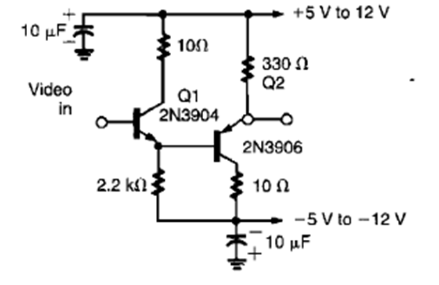
This circuit was found in a William Sheets. It has 75 ohms of output impedance and can operate up to 20 MHz with the components used.

This circuit was found in a William Sheets. It has 75 ohms of output impedance and can operate up to 20 MHz with the components used.
