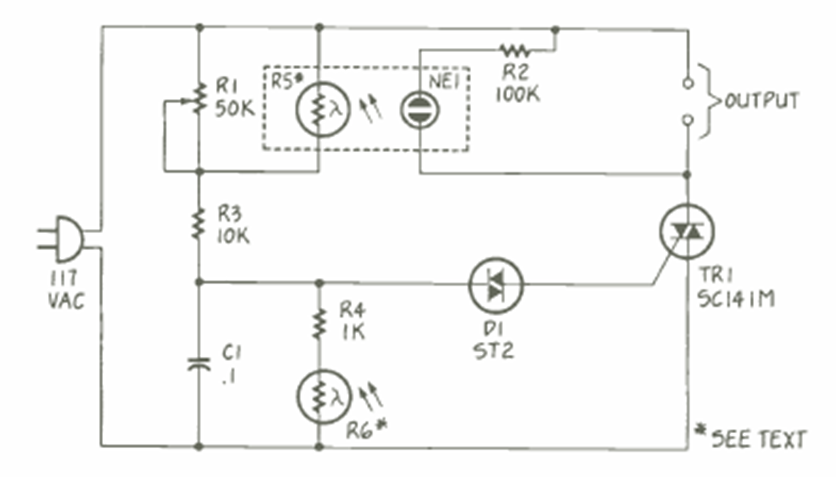
This circuit controls an external light that turns on at dusk and off in the morning. The circuit is from a Radio Electronics from October 1987.
This circuit was found in a 1992 publication. The circuit uses common components and includes the...
This protection circuit for battery chargers was found in an old Elektor. The relay is according to...
This very low frequency amplifier has a gain of 1,000 and was found in a 1967 documentation. The circuit is...