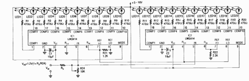
This circuit is an alternative to the previous circuit. We found it in the same article in the Radio Electronics magazine of March 1992. The integrated circuits are the LM3914.
This simple circuit for switching RF signals was found in an RF Design from the 90s. The circuit...
I found this circuit in a Popular Electronics from 1992. The circuit can be easily implemented with BC549...
This circuit was found in a 90s EDN. Its purpose is to increase the efficiency of operational...