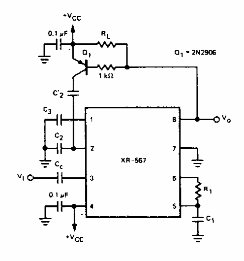
This circuit is from a 1980s documentation featuring two time constants for sound decoding. The integrated circuit is not common today.

This circuit is from a 1980s documentation featuring two time constants for sound decoding. The integrated circuit is not common today.
