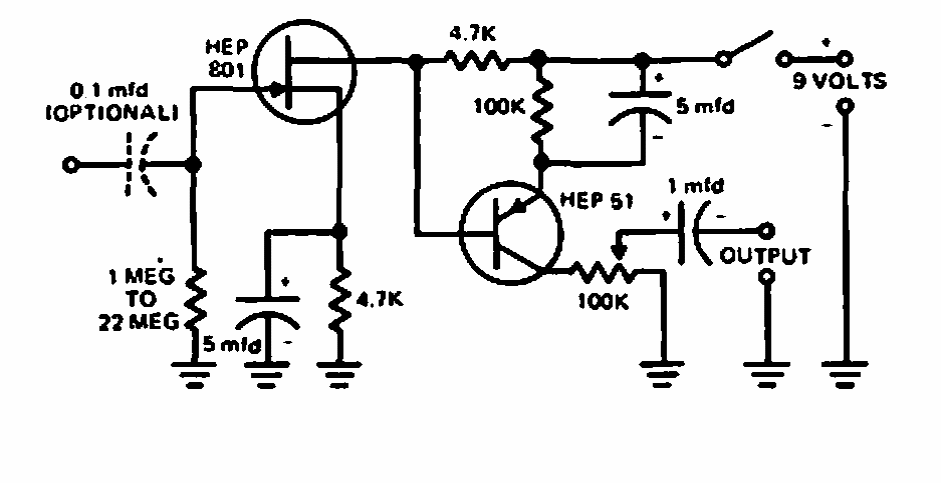
This small signal amplifier circuit was found in Motorola's 1969 documentation. The FET and the transistor can be of any type and is battery powered since the consumption is very low.
This circuit is from 1968 documentation. We can assemble it with more modern components such as a...
We found this video amplifier with integrated circuits of the time in the magazine Electronics Now of July...
This very high impedance circuit was found in documentation from the 1990s. The configuration can...