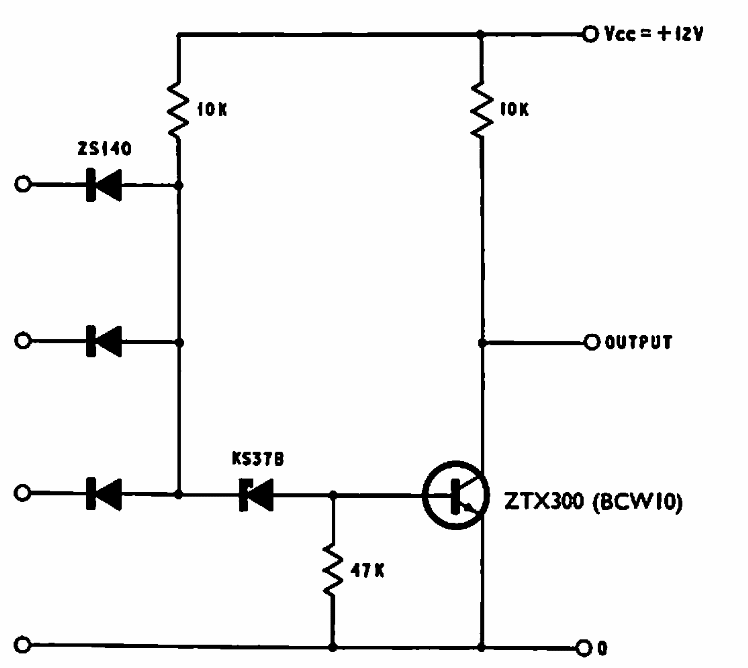
Found in Ferranti's 1969 documentation, this circuit can be mounted with a modern equivalent transistor. The circuit has a 4 V immunity and can be used as a shield for sensors.
This circuit from a June 1957 Radio Electgronics is for oscilloscopes of the time with a maximum...
This circuit is from an English magazine Radio and Electronics Constructor of November 1978. The...
This circuit was obtained from a Linear Technology manual from the 90's. The integrated circuits are...