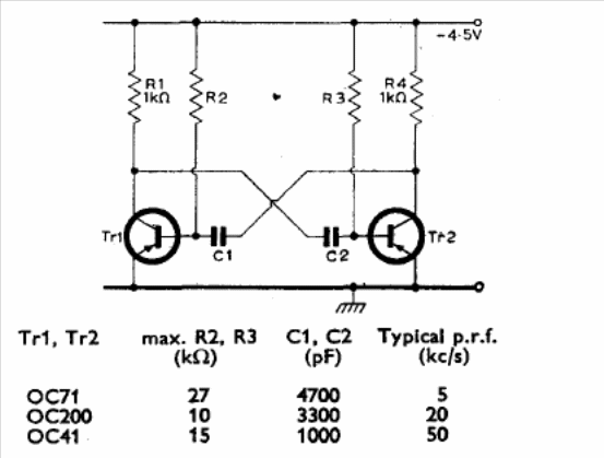
This circuit is from Mullard's transistor reference manual from 1960. The circuit will also work with modern silicon transistors and the supply voltage can be between 3 and 6 V.

This circuit is from Mullard's transistor reference manual from 1960. The circuit will also work with modern silicon transistors and the supply voltage can be between 3 and 6 V.
