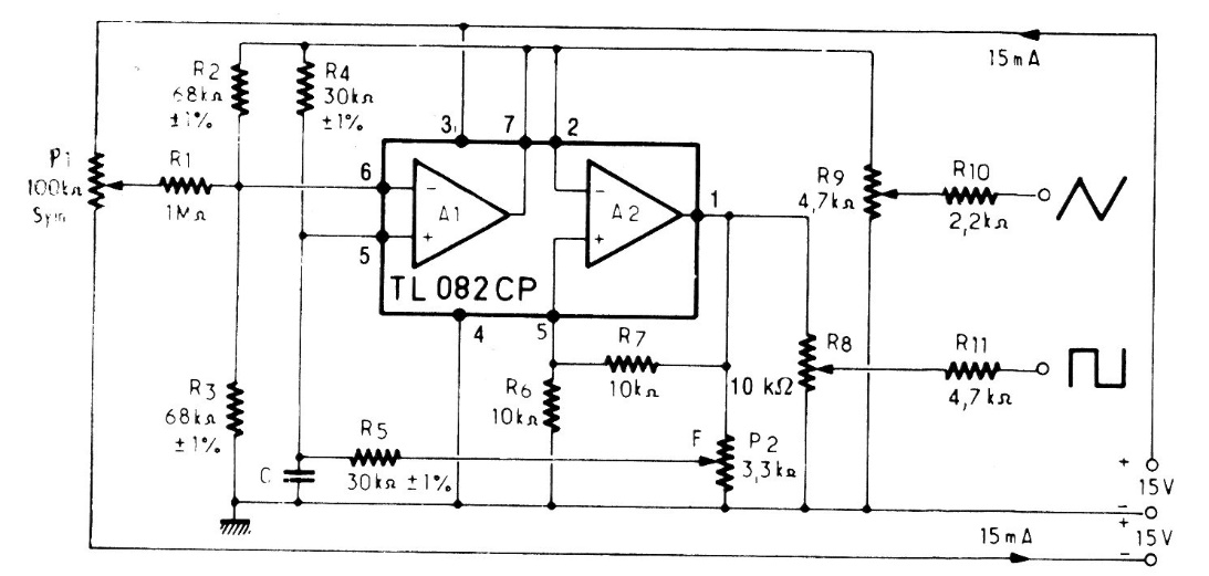
This circuit was found in a French documentation from the 80's. The circuit must be powered by a symmetrical source and the generated frequency range reaches 1 MHz. For 3 to 30 Hz use 1 uF and for 3 to 30 kHz use 1 nF.
This circuit was found in a French documentation from the 80's. The circuit must be powered by a symmetrical source and the generated frequency range reaches 1 MHz. For 3 to 30 Hz use 1 uF and for 3 to 30 kHz use 1 nF.