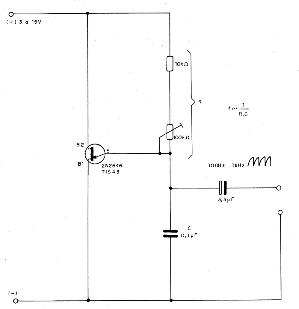
This circuit, found in 1993 documentation, is the traditional relaxation oscillator configuration with unijunction transistor. The frequency depends on C and the resistance value R.
In the figure we have the simple way to use a low current switch or sensor to drive a high power...
Found in a 1990s American documentation, this circuit provides an output voltage approximately 4 times...
The presented circuit uses an optocoupler to trigger a triac. We found it in a Popular Electronics from...