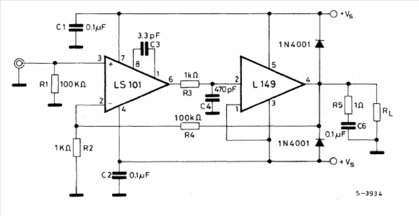
The components used in this configuration are not common today. The circuit is from the 1982 SGS linear integrated circuit manual. The power supply must be symmetrical. The circuit gain is 40 dB.
The components used in this configuration are not common today. The circuit is from the 1982 SGS linear integrated circuit manual. The power supply must be symmetrical. The circuit gain is 40 dB.