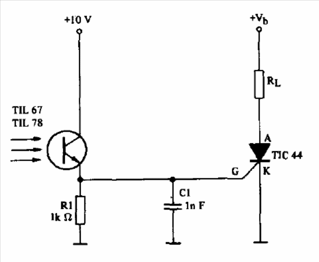
We found this circuit in an old optoelectronics manual from Texas Instruments. However, more modern equivalent phototransistors can be used as well as the SCR. The power depends on the controlled load.
We found this circuit in an old optoelectronics manual from Texas Instruments. However, more modern equivalent phototransistors can be used as well as the SCR. The power depends on the controlled load.