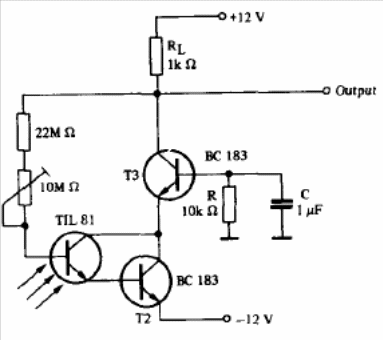
In the figure we have an increased dynamic response configuration with the use of a transistor (TR3) in the common base configuration. The circuit is from a Texas Instruments optoelectronics manual.

In the figure we have an increased dynamic response configuration with the use of a transistor (TR3) in the common base configuration. The circuit is from a Texas Instruments optoelectronics manual.
