We have already presented this circuit, obtained from manuals from other manufacturers of the used integrated circuit. This is specifically from Motorola's 1990 Linear Databook.
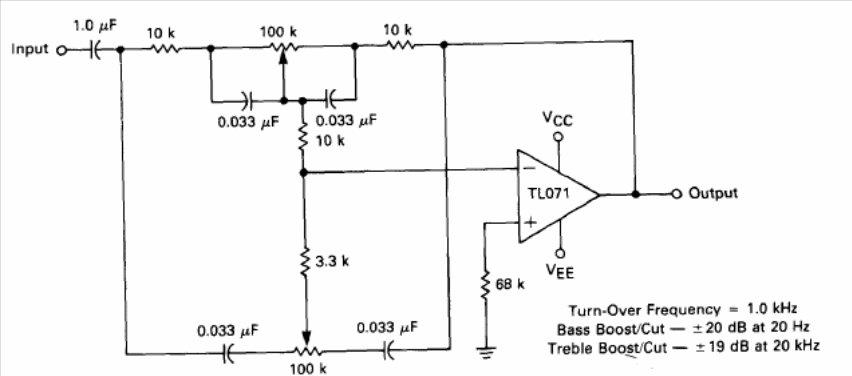
We found this circuit in a technical documentation from Texas Instruments. The signal is...
The circuit shown in the figure allows a pressure switch to be used to turn a load on and off in a...
This circuit for a 6.3 V lamp was found in a 1970’s RCA documentation. The circuit applies to any triac...