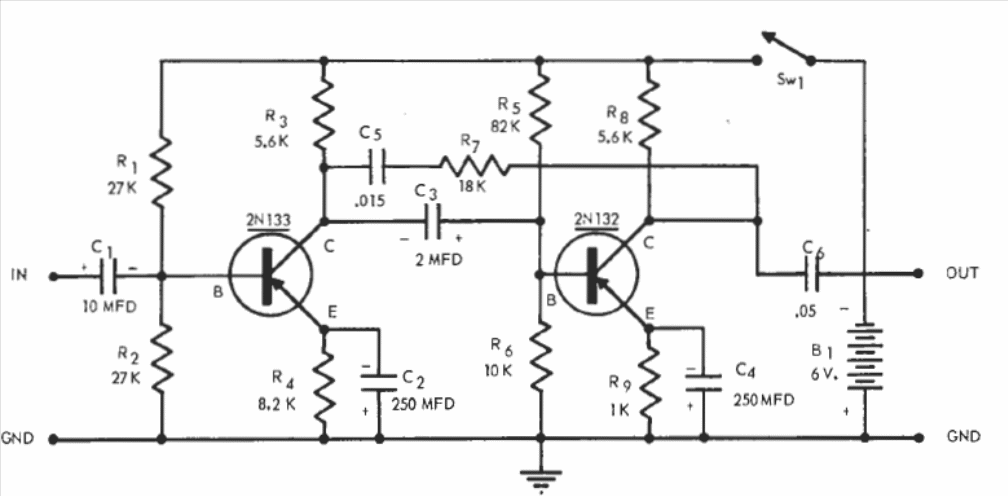
This circuit was found in a 19the Raytheon documentation. The circuit can be assembled with modern transistors with minor changes in polarization resistors. Signal input and output cables must be shielded.
This circuit was found in a 19the Raytheon documentation. The circuit can be assembled with modern transistors with minor changes in polarization resistors. Signal input and output cables must be shielded.