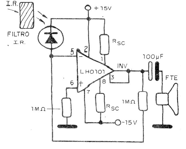
This circuit was found in a 1992 documentation. It uses a photo diode as a receiver and an integrated circuit that is no longer common today. The circuit receives audio signals that modulate infrared and reproduces it in a loudspeaker.
This circuit was found in a 1992 documentation. It uses a photo diode as a receiver and an integrated circuit that is no longer common today. The circuit receives audio signals that modulate infrared and reproduces it in a loudspeaker.