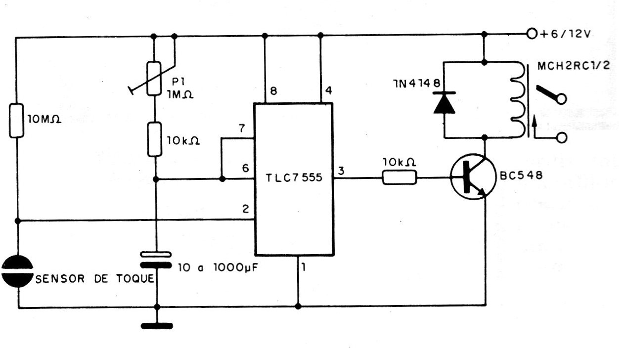
In the figure we have an interesting configuration in which we took advantage of the very high input impedance of the firing pin of the TLC7555 in the monostable configuration, to elaborate a timed touch switch or even a timed timer. Resistors with values as high as 50M ohms can be used in the trip input polarization of this integrated, which guarantees an enormous sensitivity to the circuit. The timing in this application is set in potentiometer P1.




