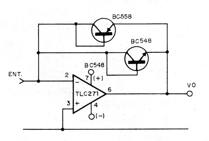
This circuit is indicated for measurement bridges as a null detector, thanks to the logarithmic gain characteristics given by the two transistors. The gain becomes greater with lower input voltages. The integrated circuit is an operational amplifier with field effect transistors from Texas Instruments, while the transistors are general purpose PNP. The power supply must be symmetrical.




