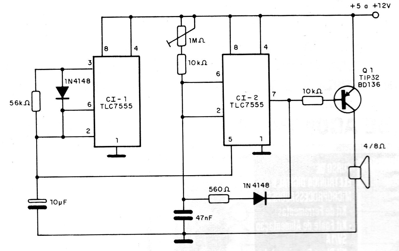
With the circuit shown in the figure we have a frequency modulation which is produced by a sawtooth signal generated by C1. The frequency of this oscillator is approximately 1 Hz, with a very fast descent time, given by the diode between pins 3 and 6. This signal modulates the second oscillator, formed by CI2, whose frequency is in the audio range, which can be adjusted in the trimpot. Also, in this circuit we have several options for the output stage, ranging from the very low power configuration with ceramic transducer, to the high power, with a Darlington transistor.




