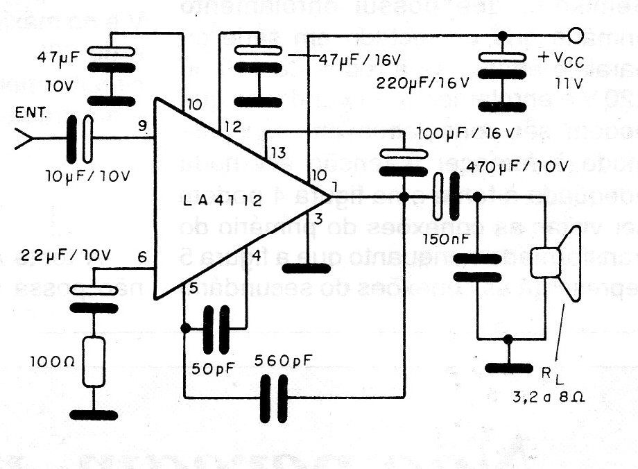
This amplifier is suggested by Sanyo, for radio and recorder applications and makes use of a single LA4112 integrated circuit. The power depends on the load and is maximum with 3.2 ohms. The integrated circuit must be fitted with a small heat radiator. The resistors are 1/8 W and the electrolytic capacitors have the minimum working voltages indicated in the diagram itself.




