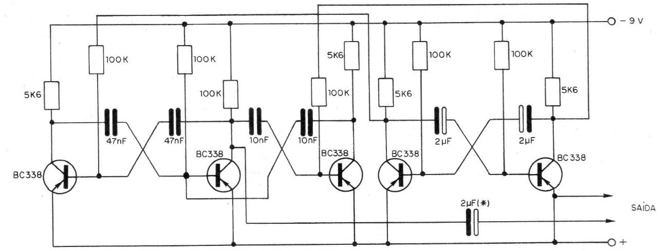
What is a dual frequency generator for? There are several possibilities of use for this circuit. The reader can use it as part of a different researcher-injector of signals, as part of an electronic musical instrument or, simply, to generate a different tone signal in an alarm. Of course, in these applications where the required signal level is higher, it will be necessary to use a power amplifier, externally. The circuit of this dual frequency generator is shown in the figure. As the reader can perceive, two interconnected astable multivibrators are used, with the use of a third interconnected transistor to obtain a different sound effect. The 47 nF, 10 nF and 2uF capacitors determine the signal frequencies that are around 150 Hz the first and 750 Hz the second. The reader used OC71 germanium transistors in the original design, but modern equivalents, such as the Bo338, can perfectly lead to the same practical results. In fact, even general purpose NPN transistors, such as BC237, BC238, BC547 or BC548, can be used, if the polarity of the power supply is reversed.




