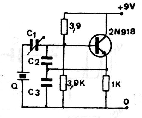
This oscillator can generate signals from 100 kHz to more than 50 MHz depending on the crystal used and the transistor, which can also be 2N2222. Capacitors must be ceramic and typical values are between 47 pF and 220 pF depending on the frequency.

This oscillator can generate signals from 100 kHz to more than 50 MHz depending on the crystal used and the transistor, which can also be 2N2222. Capacitors must be ceramic and typical values are between 47 pF and 220 pF depending on the frequency.
