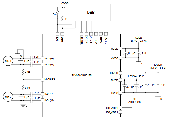
In the figure we have an application circuit for the stereo to digital analog sound converter using the Texas Instruments TLV320ADC3100. The circuit was obtained from the component's own datasheet. The supply is made by two voltages which are indicated in the diagram and the consumption is very low.




