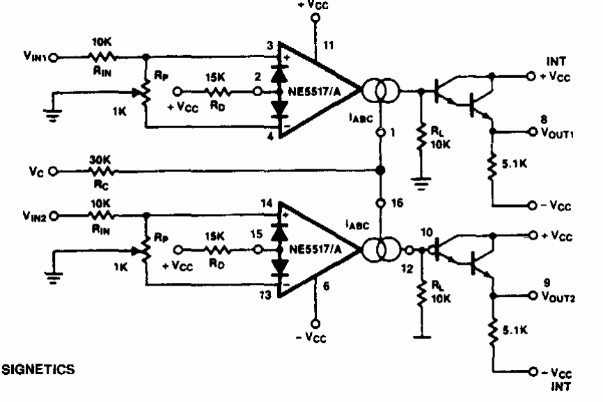
This amplifier with gain control was obtained in a documentation from Signetics of the 80's. Transistors are of power and operational amplifiers are not common nowadays.
We found this test circuit in a March 1967 Radio Electronics. The circuit uses a zener-regulated supply and...
We found this circuit in a 1995 publication. It applies to transceivers in the citizen's range (11...
The figure shows how to associate flip-flops in a shift register to obtain a lower frequency...