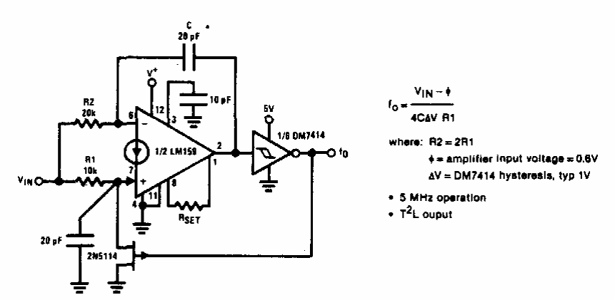
This circuit makes use of an operational amplifier from the 80's. The circuit can be implemented with modern transconductance operational and TTL logic working as a shield.
This circuit was obtained in a 1986 documentation consisting of an active frequency divider for...
OSEPP makes available through Mouser Electronics a series of 100% Arduino compatible robotic kits. The...
We found this circuit in a 1977 National Semiconductor audio manual. The integrated circuit is the...