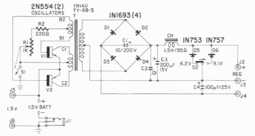
This power supply, which is a small inverter, runs on a single large 1.5V battery providing 6V and 9V outputs. The circuit is from a 1960s Gernsback documentation.

This power supply, which is a small inverter, runs on a single large 1.5V battery providing 6V and 9V outputs. The circuit is from a 1960s Gernsback documentation.
