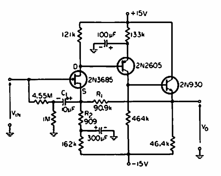
This circuit was found in old American documentation. It has 40 dB gain between 10 Hz and 10 kHz. Modern equivalent transistors can be used.
This VHF transmitter was found in Radio Electronics magazine from June 1964. The transistor is an...
This two-transistor circuit is from a Radio Electronics magazine from April 1965. The transistors are...
This circuit was found in a 1967 documentation. The switch diode is a component of the time and is...