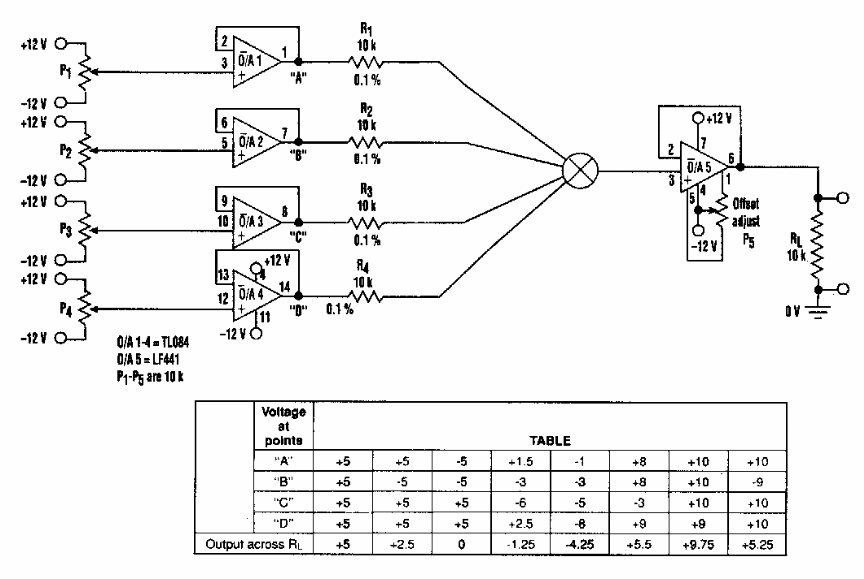
This circuit was found in an American documentation from the 90's. What it does is provide at the output a voltage that is the average of the voltages set for the inputs.
This circuit was found in a 1970s General Electric documentation. This circuit already used an...
A rectangular signal can be generated with the figure setting. The values given in the circle...
This circuit was obtained in an old publication. The FET can also be the BF245. The potentiometers can be...