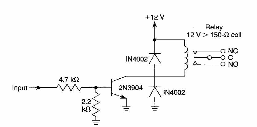
This circuit was found in old American documentation. Transistor is general purpose and relay is according to power.
This circuit was found in a 1970s General Electric documentation. This circuit already used an...
A rectangular signal can be generated with the figure setting. The values given in the circle...
This circuit was obtained in an old publication. The FET can also be the BF245. The potentiometers can be...