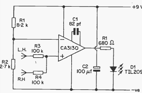
This peak indicator for stereo amplifiers uses a CA3130. The 80's circuit does not need a symmetrical power supply.
We found this configuration in a Radio Electronics from 1989. The circuit can be designed with...
This interesting configuration was found in a 1965s Electronic Design. It makes use of components of...
This circuit is from old American documentation intended to trigger the flash of a camera flash with...