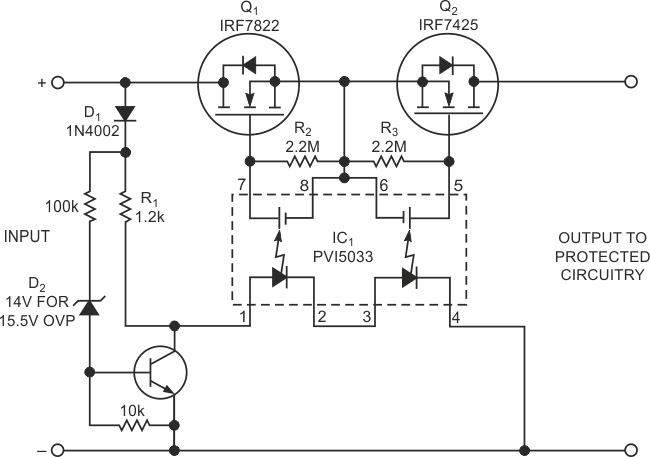
This protective circuit uses Shottky diodes on an International Rectifier PVI5033 and IRF7822 integrated circuit. The circuit has a resistance of just 0.013 ohm with a 10 A load.
This VHF transmitter was found in Radio Electronics magazine from June 1964. The transistor is an...
This two-transistor circuit is from a Radio Electronics magazine from April 1965. The transistors are...
This circuit was found in a 1967 documentation. The switch diode is a component of the time and is...