This 40-second delay switch was found in a 1965 Electronic Design. The unijunction transistor might be the 2N2646 and the SCR a sensitive modern equivalent.
This VHF transmitter was found in Radio Electronics magazine from June 1964. The transistor is an...
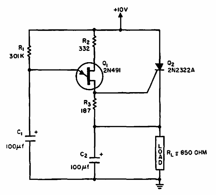
This two-transistor circuit is from a Radio Electronics magazine from April 1965. The transistors are...
This circuit was found in a 1967 documentation. The switch diode is a component of the time and is...