This circuit was found in a 1966 EEE. The circuit can be implemented with modern general-purpose transistors.
This VHF transmitter was found in Radio Electronics magazine from June 1964. The transistor is an...
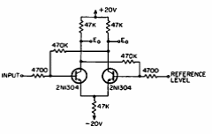
This two-transistor circuit is from a Radio Electronics magazine from April 1965. The transistors are...
This circuit was found in a 1967 documentation. The switch diode is a component of the time and is...