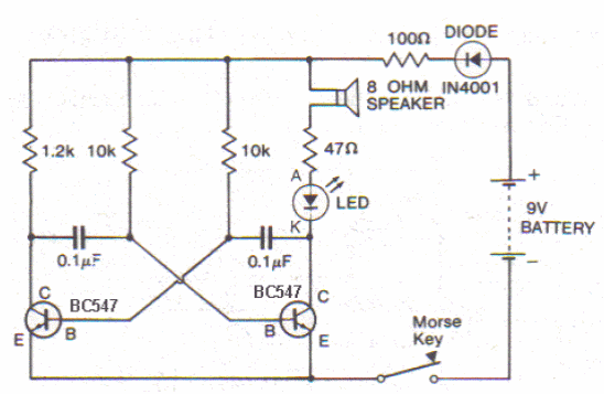
In the figure we have an astable multivibrator driving a speaker to produce audio signals for Morse code practice.
This circuit was found on an application note from Linear Technology of the 1990s. The source must...
Using only one integrated circuit this control was found in an 80's Electronic Engineering. The circuit...
The transistor in this circuit can be the BC558 and the capacitors must be ceramic. Crystals from...