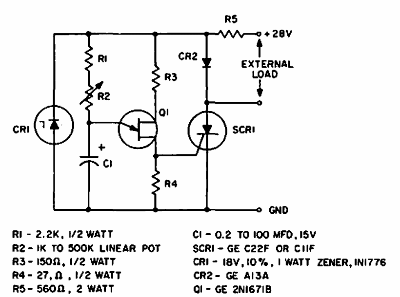
This circuit was taken from the 1967 General Electric SCR Manual. The circuit can use virtually any unijunction and SCR according to load.
With this circuit, from a 1991 publication, it is possible to regulate the output of a symmetric source...
In this circuit, the transistors are NPN for general use and the phototransistors can be replaced by...
This simple experimental circuit, with a good external antenna can capture distant stations in the...