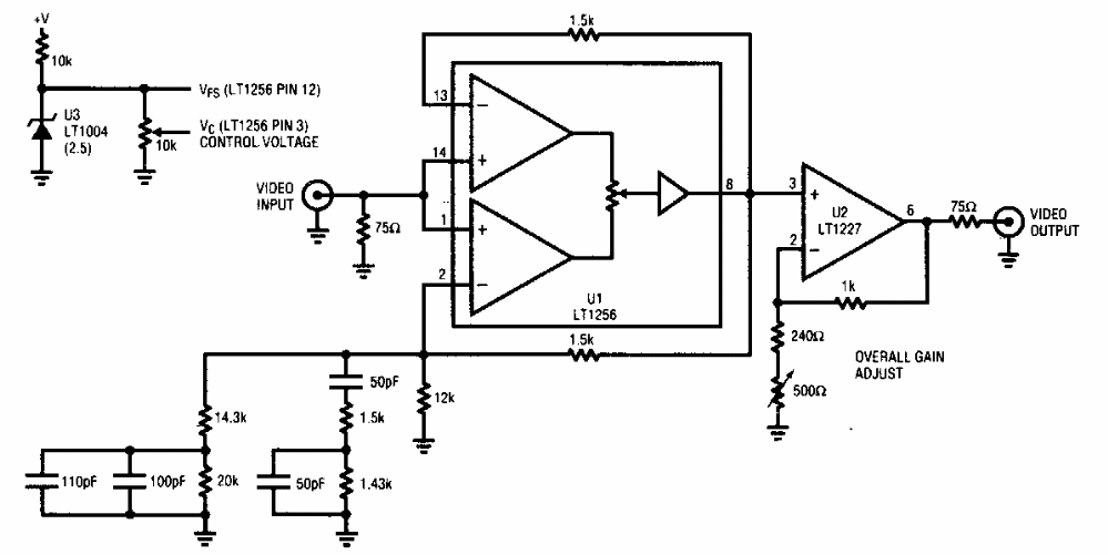
This circuit was found in a Linear Technology documentation from the 90's. The integrated circuits are from the time.
The circuit shown is for testing both signal diodes (low current) and rectifiers (high current). The...
This circuit was found in a Modern Electronics from 1990. It activates an old electromechanical pulse counter,...
We found this circuit in the same publication as the previous one (CB18947E). The circuit uses two...